导航

限幅器 EM5010A

工作原理:

EM5010A 限幅器.jpg
EM5010A瞬态限幅器具有瞬态限幅功能。在EMI测量中,经常有意外过载情况发生,瞬态限幅器用于前端电路保护,防止损坏贵重的EMI测试设备。

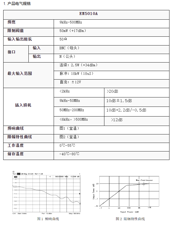
技术参数:

产品应用:

      4008-056-058